1996年,8868体育在国内开始制造并推广WS水表,流动剖面敏感度等级可达U0/D0,无安装前后直管段要求。至今,中国自来水管网中已有近60万只WS水表平稳运行并拥有良好口碑,量程比可达R315,计量精度高。
性能特点
优势说明
■ 产品以德国技术为基础,结合中国用水环境进行开发设计,性能优异。
■ WS集中了水平螺翼式水表和旋翼式水表的优势,采用全流量检测,被测水流为轴向水流,低进高出,测量精度高,尤其在低流量下,精度高于其他类型水表。产品非常适用于流量变化较大的场合的用水计量。
■ 其升级后的内置不锈钢滤网设计适合中国用水环境,确保了产品长期稳定的工作。
特性
■ 采用可拆式机芯结构,便于维护;
■ 不同口径,不同机芯,全流量检测,测量精度高;
■ 量程宽,适合流量变化较大的场合;
■ 内调式结构,有效防止私自调表;
■ 高耐磨性轴承系统确保产品的长期稳定性和可靠性,明显提高了产品的最大流;
■ 采用行业先进热喷涂工艺,提高表壳抗腐蚀能力,延长使用寿命;
■ 可选配防撬保护外罩;
■ 安装时无需在表前表后安装直管段;
■ 可选配磁传于式结构,保证整洁,显示清晰;
■ 可配置发讯计数器,多种脉冲讯号输出(单/双/三千簧管,金属感应器,霍尔元件);
■ 可配置铜封干式计数器,防护等级达到IP68;
■ 可选配湿式液封结构,同样可保持读数窗口整洁,清晰,且不受任何外磁场干扰,液封计数器;
■ 可选配三霍尔远传组件可选配无源直读计数器,带有RS-485或M-BUS标准接口。
技术参数

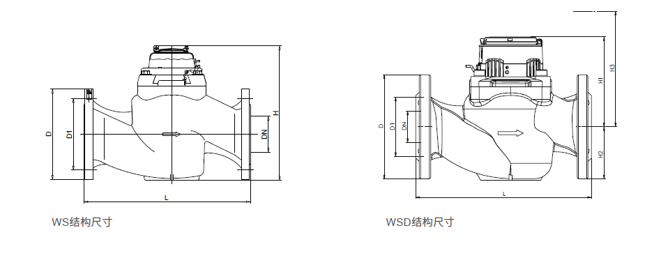
外形尺寸

在线询价